Proyectos Industriales
tu visión, nuestra ingeniería
Nosotros
Nuestra empresa está conformada por profesionales con más de 20 años de trayectoria en la industria acuícola, química y de transformación de algas marinas, con experiencia en construcción de pisciculturas, operaciones, en la optimización de procesos industriales y así como también en el gerenciamiento de proyectos de diversas envergaduras.
De igual forma la experiencia incluye el desarrollo de nuevos procesos en la elaboración de productos, R & D, y otros desarrollos en proyectos de ingeniería industrial.
Inversiones Jacaranda ha logrado diseñar y construir instalaciones innovadoras para empresas industriales, con altos grados de calidad y excelente control de pérdidas, con la capacidad de adecuarse a las necesidades de los clientes.
Rubros
Acuícola
tratamiento de aguas
R & D
industrial
Portafolio
Algunos proyectos de nuestro portafolio:
Ingeniería y construcción piscicultura flujo abierto STH Caliboro
Piscicultura flujo abierto de capacidad instalada de 5400 m3.
Estanques con pasillo central, estructura metálica de cúpulas estructuradas que permite la instalación de lona de fotoperiodo de oscuridad total.
Canales de aducción y descarga, con filtros de banda en aducción y filtros rotatorios en riles.
Alimentadores automáticos, sistema de desinfección UV, Columnas de oxigenación, Torres de Carga, Silo de mortalidad, sistema de generación de emergencia, sistema de suministro de oxigeno.
Instalaciones para el personal, oficinas y bioseguridad. Bodegas de alimento y químicos.
Optimización tratamiento riles piscicultura
Sistema de desinfección de efluentes de piscicultura por dosificación de ozono mediante Venturi, interviniendo línea existente, con control por niveles y ORP, para cumplimiento normativo.
Bodegas RESPEL y SUSPEL Piscicultura
Instalación para manejo de residuos peligrosos y sustancias peligrosas acorde a normativa vigente decretos 43 y 148 del Ministerio de Salud, decreto 594 y Ordenanza General de Urbanismo y Construcciones O.G.U.C
Implementación Norma de Aseguramiento Integrado de Fincas, Frutas y Hortalizas.
Consultoría de Certificación GGAP para huerto de cerezos con certificación aprobada con un >95% de conformidades. Levantamiento de brechas e implementación de mejoras.
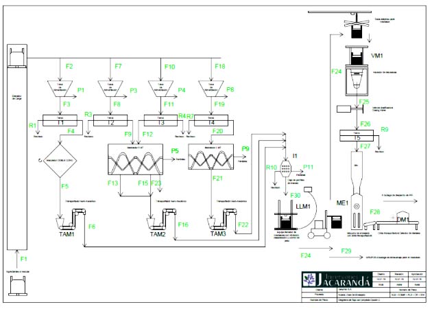
Planta Industrial de Secado de Algas
Planta de procesamiento de algas marinas con línea completa para procesar algas rojas, que considera todas las etapas de proceso desde recepción de alga a granel, fresca o semi seca, desarenado, limpieza manual, enfardado y palletizado, hasta su despacho.
Línea completa para procesar algas pardas, que considera una premolienda, molienda, harneado y envasado en sacos o maxisacos, hasta su despacho.
Para algas de consumo humano disponemos de un secador eléctrico de aire forzado de un contenedor de capacidad libre, con un sistema de racks para disponer el alga en niveles.
Bodegas Industriales
Diseño y construcción de galpones industriales de estructura y recubrimiento metálicos de 2250m² de capacidad. Los galpones cuentan con losa de radier en su interior, así como en su área de tránsito exterior. Cuentan con iluminación interior y exterior, portones y cierre perimetral e instalaciones para el personal.
Diseño de solución habitacional móvil
Diseño de solución habitacional móvil, funcional y sustentable cumpliendo normativa local de vivienda y transporte (en Chile: Ley General de Urbanismo y Construcciones + normativas de tránsito)
Ingeniería conceptual y básica para solución de implementación de nueva línea de envasado en línea de carragenina.
Diseño de línea de envasado para polvo con máquina automática con termosellado, control de merma y calibración en línea.
COntactO

PROYECTOS INDUSTRIALES
TU VISION, NUESTRA INGENIERÍA
teléfono de contacto
wyd.cl | Todos los derechos reservados® JACARANDAPRO 2025.





















